This site uses cookies. For more information, please see our Privacy Policy.
承翰油壓機械股份有限公司
  • About Us
    • About Us
    • Dealer
    • Certificate
  • News
  • Products
  • Contact Us
MENU
( )
  • EN
  • 繁中
(0)
CLOSE
EN 繁中
  • About Us
    • About Us
    • Dealer
    • Certificate
  • News
  • Products
  • Contact Us

Inquiry list(0)

CLOSE
Go to inquiry
  • Home
  • Products
  • Accessories & Other
Products
  • Directional control valves
  • Modular control valves
  • Logic Valve
  • LC
  • Solenoid check valves
  • Pressure control valve
  • Flow control Valves
  • Proportional Valve
  • Accessories & Other
MC
Download file
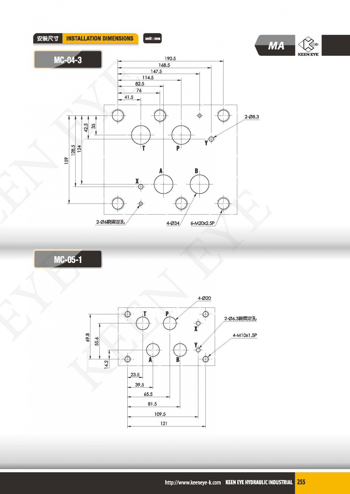
  • INSTALLATION DIMENSIONS
  • INSTALLATION DIMENSIONS
Back to the top
KEEN EYE HYDRAULIC INDUSTRIAL Co., Ltd.
TEL
886-4-22760957
FAX
886-4-22760977
MAIL
keeneye@keeneye.com.tw
ADD
No.9, Xinren 4th st., DaLi District, Taichung City 412, Taiwan(R.O.C.)
Design by WebTech Web
256 bit SSL Encryption
Recommend using Chrome, Firefox, Safari
latest version of the browser.